s8050三极管经典电路_电子电路-闪瞎你的眼!爆闪警示灯超简单原理介绍!

  • Post author:
  • Post category:其他


092f173ec705e9c93677869d7695e925.png

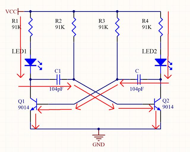
本电路无需使用复杂的IC,仅使用几个简单的电子元器件讲述原理。

电路由两个三极管控制警示灯的亮灭,电容控制爆闪频率,通电后两组警示灯交替闪烁,也就是两组发光二极管轮流导通。这是一种经典的互推互挽电路。

电路原理图如下:(多个LED组成一个发光组,下图简化为LED1和LED2两组。)

4ababbae79d4446359f1e945f393704a.png

1.本电路为无稳态多谐振荡电路,图中两个三极管Q1、Q2工作在

饱和


截止

两个状态之间交替变换工作,V1、V2的集电极输出波形似



波。

当VCC接上瞬间,Q1、Q2分别由R2、R3获得

正向

偏压,同时C1、C2亦分别经D1、R3,D2、R4充电,如下图所示。

9a16960fce862154ac1e97f0155445e7.png



版权声明:本文为weixin_39623713原创文章,遵循 CC 4.0 BY-SA 版权协议,转载请附上原文出处链接和本声明。