UCC25600 芯片设计解读与调试

  • Post author:
  • Post category:其他




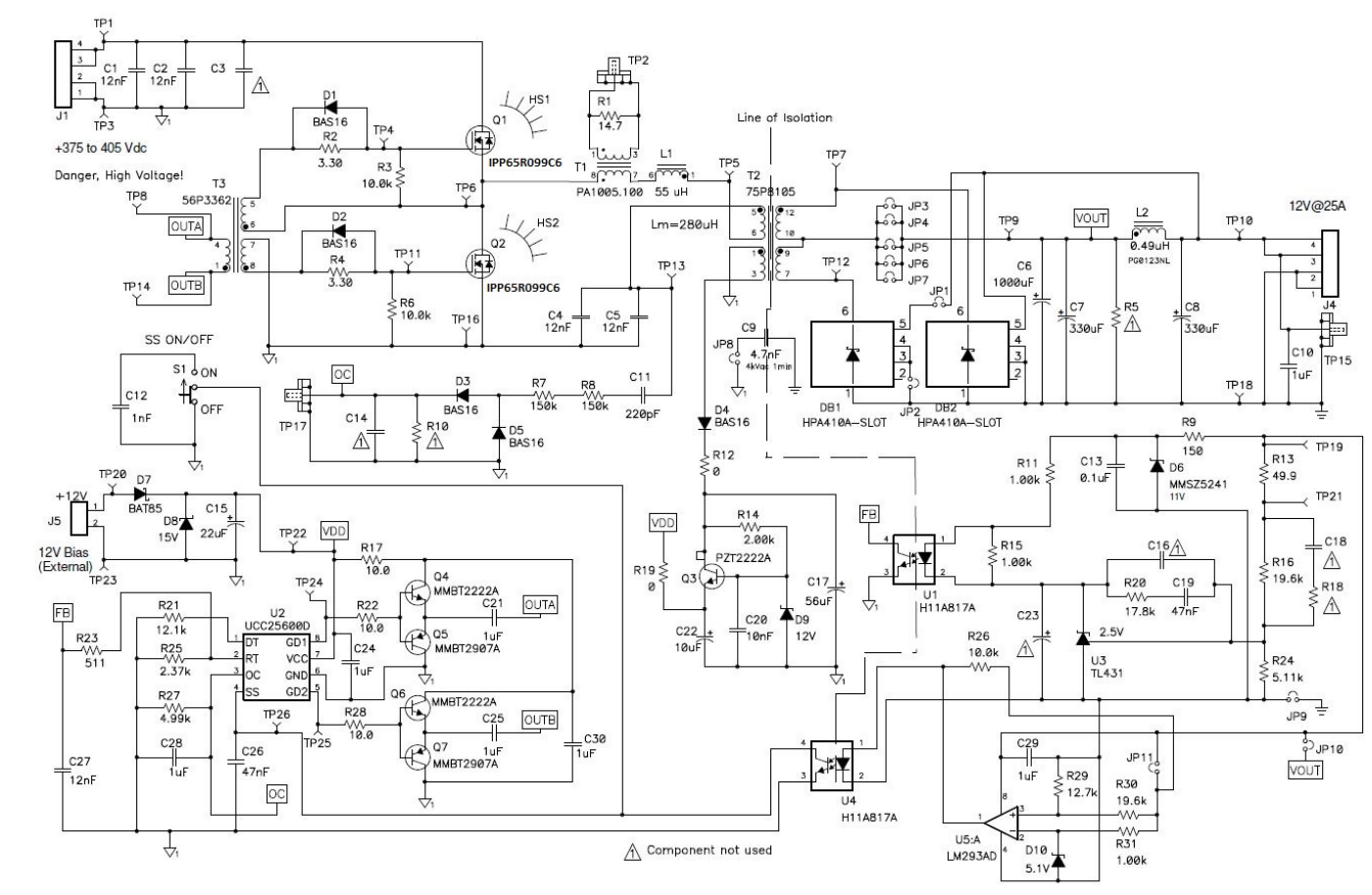
基本电路结构

在这里插入图片描述

按照此电路进行配置,即可。

值得注意的是,本电路的输出电压为12V,其相关的电路参数设计也都是基于400V->12V的配置进行设计的。若要改变电路的输入输出值,则以下电路参数需要进行相关的改变:

  1. 输出电压反馈的补偿网络
  2. 检测谐振电容电压以进行过流保护OC的RC网络
  3. 变压器的变比

相关的Python代码稍后奉上,代码将运行两次:

  1. 运行现有的电路配置,得到与上图相同的电路参数值(主要是电阻和电容),验证代码原理的正确性;
  2. 输入定制的电路配置,得到我们需要的电路参数值。

设计原理:


TL431的反馈回路的设计



UCC25600 输出电压反馈补偿网络的设计


参考文档



基础推导

在这里插入图片描述


图中的Vref规定了直流静态工作点,也即,如果需要得到不同的输出电压,则应当保证在稳态的时候,Rx的分压应当处在Vref附近。


红色框内为modulator,



G

m

(

s

)

G_m(s)







G










m


















(


s


)





;蓝色框内为compensator,



G

c

(

s

)

G_c(s)







G










c


















(


s


)










G

l

p

(

s

)

=

V

o

u

t

(

s

)

V

r

(

s

)

=

G

c

(

s

)

G

m

(

s

)

G_lp(s) = \frac{V_{out}(s)}{V_r(s)} = G_c(s)G_m(s)







G










l


















p


(


s


)




=





















V










r


















(


s


)

















V











o


u


t



















(


s


)























=









G










c


















(


s


)



G










m


















(


s


)





or




G

l

p

(

w

)

=

V

o

u

t

(

w

)

V

r

(

w

)

=

G

c

(

w

)

G

m

(

w

)

G_lp(w) = \frac{V_{out}(w)}{V_r(w)} = G_c(w)G_m(w)







G










l


















p


(


w


)




=





















V










r


















(


w


)

















V











o


u


t



















(


w


)























=









G










c


















(


w


)



G










m


















(


w


)









G

m

(

w

)

=

F

B

O

/

F

B

C

G_m(w) = FBO / FBC







G










m


















(


w


)




=








F


B


O


/


F


B


C









G

c

(

w

)

=

F

B

C

/

F

B

R

G_c(w) = FBC / FBR







G










c


















(


w


)




=








F


B


C


/


F


B


R






如果只考虑光耦器件的电流传输比CTR(Current Transfer Rate),则推导出来的补偿网络表达式为:




G

c

(

s

)

=

R

1

C

1

s

+

1

s

R

3

R

2

C

1

R

4

C

T

R

=

s

1

/

R

1

C

1

+

1

s

/

w

1

G_c(s) = \frac{R_1C_1s+1}{\frac{sR_3R_2C_1}{R_4CTR}} = \frac{\frac{s}{1/R_1C_1}+1}{s/w_1}







G










c


















(


s


)




=

































R









4

















C


T


R
















s



R









3


















R









2


















C









1



















































R










1



















C










1


















s


+


1























=




















s


/



w










1












































1


/



R









1


















C









1































s





















+


1

























但是,光耦器件并不能只用一个电流传输比表示,它另外一个典型的特征是他的通频带较低,一般认为是10k Hz。所以,它实际上还附带了一个低通滤波器的效果,滤波器的带宽为10k Hz。所以要在表达式上另外加一项



1

s

w

o

p

t

o

+

1

\frac{1}{\frac{s}{w_{opto}}+1}































w










o


p


t


o
































s





















+


1
















1
























,其中



w

o

p

t

o

=

2

π

10

k

H

z

w_{opto} = 2\pi*10kHz







w











o


p


t


o





















=








2


π













1


0


k


H


z





。故,完整的补偿器的表达式为




G

c

(

s

)

=

s

1

/

R

1

C

1

+

1

s

/

w

1

(

s

w

o

p

t

o

+

1

)

G_c(s) = \frac{\frac{s}{1/R_1C_1}+1}{s/w_1(\frac{s}{w_{opto}}+1)}







G










c


















(


s


)




=




















s


/



w










1


















(















w










o


p


t


o
































s





















+


1


)




























1


/



R









1


















C









1































s





















+


1

























设计过程Procedure and Results

  1. 测量



    G

    m

    G_m







    G










    m

























    C

    1

    C_1







    C










    1





















    初始值设定为



    0.1

     

    1

    u

    F

    0.1 ~ 1uF






    0


    .


    1




    1


    u


    F





    (the feedback loop must be stable)




  2. G

    m

    G_m







    G










    m





















    measurement with output voltage not in regulation.

    在这里插入图片描述

  3. Determine initial Gc(w) based on Gm(w) measurement:

    最小开关频率规定为70k Hz,则根据经验,穿越频率(crossover frequency)应当低于其1/5,也即7k Hz。

    根据测量出的Gm,我们将穿越频率选取为100Hz。(这样做有一个好处,100Hz处的相位基本稳定在0度,所以相位裕度为90度)

    因此,设计Gc使得穿越频率为100Hz,选取为100Hz并不是最终的状态,而是为了接下来的调试步骤更加稳定可靠。这一步是为了再次测量Gm,此时电压处在regulation的状态。(对比第二步)

  4. Re-measurement of Gm(w).

    渐渐增大输入电压,直到达到期望的输入输出工况。

    在这里插入图片描述

  5. 根据第四步的测量结果,再次设计Gc。

    To achieve the crossover frequency of 7 kHz with a minimum 45° phase margin


    在这里插入图片描述

  6. 总体来说,基于UCC25600的LLC设计是一个反复试验的过程。需要结合modulator的硬件测试与compensator的理论计算。


    如果能够通过软件扫频得到Gm的bode图?



UCC25600 过流保护RC电路的设计



变压器变比设计



Feature Description



Soft Start

  • 软起动时序

    在这里插入图片描述

  • SS 引脚同时也是芯片的ON/OFF引脚,当Vss低于1V的时候, the device is disabled.

  • 当开始启动的时候,如果SS引脚的电压低于1.2V,此时它的输出电流为175uA。因此,上图中的延时



    t

    s

    s

    ,

    d

    e

    l

    a

    y

    =

    1.2

    V

    175

    u

    A

    C

    s

    s

    t_{ss, delay} = \frac{1.2V}{175uA}C_{ss}







    t











    s


    s


    ,


    d


    e


    l


    a


    y





















    =




















    1


    7


    5


    u


    A
















    1


    .


    2


    V






















    C











    s


    s





















  • 当SS引脚的电压高于1.2V时,此时驱动信号的频率由SS pin的电压和RT引脚的电流共同决定。




  • f

    s

    =

    1

    2

    1

    6

    n

    s

    1

    A

    I

    R

    T

    +

    (

    1.81

    m

    A

    V

    s

    s

    /

    2.2

    k

    Ω

    )

    +

    150

    n

    s

    f_s = \frac{1}{2}\frac{1}{\frac{6ns*1A}{I_{RT}+(1.81mA – V_{ss}/2.2k\Omega)}+150ns}







    f










    s




















    =




















    2
















    1














































    I










    R


    T


















    +


    (


    1


    .


    8


    1


    m


    A






    V










    s


    s


















    /


    2


    .


    2


    k


    Ω


    )
















    6


    n


    s





    1


    A





















    +


    1


    5


    0


    n


    s
















    1























  • 当SS引脚的电压达到4V的时候,输出频率由



    I

    R

    T

    I_{RT}







    I











    R


    T






















    决定。因此,软起动时间为



    t

    s

    s

    =

    2.8

    V

    5

    u

    A

    C

    s

    s

    t_{ss} = \frac{2.8V}{5uA}C_{ss}







    t











    s


    s





















    =




















    5


    u


    A
















    2


    .


    8


    V






















    C











    s


    s





















  • To ensure reliable operation, the gate drivers restart with GD2 turning high. This prevents uncertainty during system start up.



Overcurrent Protection (OC pin)

在这里插入图片描述

  • The general concept of this sensing method is that the ac voltage across the resonant capacitor is proportional to load current. 这种检测过流的原理是基于谐振电压和负载电流是成正比的。



  • V

    C

    r

    ,

    p

    e

    a

    k

    =

    4

    π

    n

    V

    o

    j

    f

    n

    L

    n

    Q

    e

    +

    1

    f

    n

    2

    L

    n

    V_{Cr, peak} = \frac{4}{\pi}nV_o|\frac{jf_nL_nQ_e+1}{f_n^2L_n}|







    V











    C


    r


    ,


    p


    e


    a


    k





















    =




















    π
















    4





















    n



    V










    o


































    f










    n








    2



















    L










    n
































    j



    f










    n



















    L










    n



















    Q










    e


















    +


    1


























  • 电路参数的设计如下表
Name Function Design Equation



R

s

R_s







R










s




















Transfer ac voltage across resonant capacitor into current source


R

s

=

C

C

r

,

p

e

a

k

(

m

a

x

)

2

2

P

R

s

(

m

a

x

)

R_s = \frac{C_{Cr, peak}(max)^2}{2P_{Rs}(max)}







R










s




















=




















2



P











R


s



















(


m


a


x


)

















C











C


r


,


p


e


a


k



















(


m


a


x



)










2

































C

s

C_s







C










s




















Blocking dc voltage on resonant capacitor


C

s

=

10

R

s

f

m

i

n

C_s = \frac{10}{R_sf_{min}}







C










s




















=





















R










s



















f











m


i


n

































1


0


























R

p

R_p







R










p




















Load resistor of the current source


R

s

V

C

r

,

p

e

a

k

(

m

a

x

)

π

\frac{R_s}{V_{Cr, peak}(max)}\pi



















V











C


r


,


p


e


a


k



















(


m


a


x


)

















R










s





































π







C

p

C_p







C










p




















Filter capacitor


C

p

=

10

R

p

f

m

i

n

C_p = \frac{10}{R_pf_{min}}







C










p




















=





















R










p



















f











m


i


n

































1


0























  • 这个电路实现了什么功能呢?

    利用二极管、电阻、电容网络实现谐振电容电压的峰值检测。
  • 表格中的function如何理解呢?

    • 首先,



      R

      s

      R_s







      R










      s





















      为什么可以将交流电压转换成一个电流源:电流源和电压源的区别在于,无论何时,电流源的电流都是不变的。在本电路中,通过对比我们可以知道,



      R

      s

      R_s







      R










      s





















      的值相较于后级的并联RC参数是非常大的,也就是说,无论二极管的开通状态如何,前后参数的巨大差异都会使得电路的电流约等于谐振电压除以



      R

      s

      R_s







      R










      s





















      ,也即等效的电流源的幅值为



      V

      C

      r

      ,

      p

      e

      a

      k

      R

      s

      \frac{V_{Cr, peak}}{R_s}



















      R










      s

































      V











      C


      r


      ,


      p


      e


      a


      k








































    • 接下来,我们看一下



      C

      s

      C_s







      C










      s





















      的作用。如果研究电路中的交流量,则



      C

      s

      C_s







      C










      s





















      的等效阻抗



      1

      /

      s

      C

      s

      1/sC_s






      1


      /


      s



      C










      s





















      。将最小开关频率70kHz带入,我们可以求得此时的等效阻抗与



      R

      s

      R_s







      R










      s





















      差了2个数量级,也即



      C

      s

      C_s







      C










      s





















      对开关频次的电路量没有影响。但是如果等效出的电流源含有直流量,则



      C

      s

      C_s







      C










      s





















      的阻抗无穷大,因此,直流量是作用不到后级的RC网络的。

    • 再者,



      R

      p

      R_p







      R










      p





















      是根据什么选取的呢?由于R从网络和UCC25600芯片连接处的电流很小,也就是说通过二极管传递到后级并联RC网络的电流基本决定了RC网络的电压。由于二极管的整流作用,仅有半个周期的电流可以传递到后级,因此,传递到后级的电流平均值为:



      I

      e

      q

      u

      ,

      p

      k

      1

      π

      =

      V

      C

      r

      ,

      p

      e

      a

      k

      R

      s

      1

      π

      I_{equ, pk}*\frac{1}{\pi} = \frac{V_{Cr, peak}}{R_s}\frac{1}{\pi}







      I











      e


      q


      u


      ,


      p


      k










































      π
















      1























      =





















      R










      s

































      V











      C


      r


      ,


      p


      e


      a


      k


















































      π
















      1
























      ,另外我们从UCC25600的数据手册可以得到,OC保护动作开启的电压为1.0V,因此,负载电阻



      R

      p

      R_p







      R










      p





















      应当能保证最大峰值电压对应的RC网络的电压等于1V,因此,



      R

      p

      R_p







      R










      p





















      的取值应为



      R

      s

      V

      C

      r

      ,

      p

      e

      a

      k

      (

      m

      a

      x

      )

      π

      \frac{R_s}{V_{Cr, peak}(max)}\pi



















      V











      C


      r


      ,


      p


      e


      a


      k



















      (


      m


      a


      x


      )

















      R










      s





































      π





    • 最后,滤波电容



      C

      p

      C_p







      C










      p





















      的选取:可以知道,并联RC网络的传递函数为



      1

      s

      C

      \

      \

      R

      \frac{1}{sC} \backslash\backslash R


















      s


      C
















      1





















      \


      \


      R





      ,其极点为



      s

      =

      1

      C

      R

      s = \frac{1}{CR}






      s




      =




















      C


      R
















      1
























      ,为滤除开关频次的电压纹波,将滤波器的转折频率设置为



      f

      s

      ,

      m

      i

      n

      /

      10

      f_{s, min}/10







      f











      s


      ,


      m


      i


      n



















      /


      1


      0





      ,则最终可得到对应的电容取值



      C

      =

      10

      R

      f

      m

      i

      n

      C = \frac{10}{Rf_{min}}






      C




      =




















      R



      f











      m


      i


      n

































      1


      0

























版权声明:本文为weixin_43175762原创文章,遵循 CC 4.0 BY-SA 版权协议,转载请附上原文出处链接和本声明。