什么是混频器
变频,是将信号频率由一个量值变换为另一个量值的过程。具有这种功能的电路称为变频器(或混频器)。
一般用混频器产生中频信号
混频器将天线上接收到的射频信号与本振产生的信号相乘,cosαcosβ=[cos(α+β)+cos(α-β)]/2
可以这样理解,α为射频信号频率量,β为本振频率量,产生和差频。当混频的频率等于中频时,这个信号可以通过中频放大器,被放大后,进行峰值检波。检波后的信号被视频放大器进行放大,然后显示出来。由于本振电路的振荡频率随着时间变化,因此频谱分析仪在不同的时间接收的频率是不同的。
工作原理
两个不同频率的高频电压作用于非线性器件时, 经非线性变换,电流中包含直流分量、基波、谐波、和频、差频分量等。其中差频分量fLo-fs就是混频所需要的中频成分,通过中频带通滤波器把其它不需要的频率分量滤掉,取出差频分量完成混频。
主要应用
( 1 )频率变换。这是混频器的一一个众所周知的用途。常用的有双平衡混频器和三平衡混频器。三平衡混频器由于采用了两个二二极管电桥。三端口都有变压器,因此其本振、射频及中频带宽可达几个倍频程,且动态范围大,失真小,隔离度高。但其制造成本高,工艺复杂,因而价格较高。
( 2 )鉴相。理论上所有中频是直流耦合的混频器均可作为鉴相器使用。将两个频率相同,幅度一 致的射频信号加到混频器的本振和射频端口,中频端将输出随两信号相差而变的直流电压。当两信号是正弦时,鉴相输出随相差变化为正弦,当两输入信号是方波时,鉴相输出则为三角波。使用功率推荐在标准本振功率附近,输入功率太大,会增加直流偏差电压,太小则使输出电平太低。
(3 )可变衰减器。此类混频器也要求中频直流耦合。信号在混频器本振端口和射频端F 1间的传输损耗是有中频电流大小控制的。当控制电流为零时,传输损耗即为本振到射频的隔离,当控制电流在20mA以上时,传输损耗即混频器的插入损耗。这样,就可用正或负电流连续控制以形成约30dB变化范围的可变衰减器,且在整个变化范围内端口驻波变化很小。同理,用肪波控制就可形成开关。
( 4 )相位调制器。此类混频器也要求中频直流耦合。信号在混频器本振端口和射频端口间传输相位是由中频电流的极性控制的。在中频端口交替地改变控制电流极性,输出射频信号的相位会随之在0°和180°两种状态下交替变化。
( 5)参量混频器。主要是利用非线性电抗特性将输入信号变换为中频信号的电路。电抗元件在理想情况下既不消耗功率也不产生噪声,所以参量混频器具有变换效率高、噪声小的优点。雷达和微波系统常用参量混频来实现低噪声接收。图6为并联电流型参量混频电路。用亮Q滤波器Fc、F1和Fi隔开的三个回路,分别只允许信号电流ic、本振电流i1和差频电流i流过。非线性电抗元件-般由变容= 极管构成,它在本振电压(又称泵电压)的控制下,在输入与输出信号间起非线性变换作用。
( 6 )正交相移键控调制。QPSK是由两个BPSK、一个90度电桥和一个0度功分器构成。I/Q调制/解调器调制与解调实为相互逆反的过程,在系统中是可逆。这里主要介绍I/Q解调器, I/Q解调器由两个混频器、一个90度电桥和一个同相功分器构成。
( 7 )镜像抑制混频器。抑制镜像频率的滤波器一 般都是固定带宽的。但当信号频率改变时,镜频频率也随之改变,可能移出滤波器的抑制频带。在多信道接收系统或频率捷变系统中,这种滤波器将失去作用。这时采用镜频抑制混频器,本振频率变化时,由于混频器电路内部相位配合关系,被抑制的镜频范围也将随之改变,使其仍能起到镜频抑制的作用。 由于电路不是完全理想特性,存在幅度不平衡和相位不平衡,可能使镜像抑制混频器的电性能发生恶化,下图为幅度不平衡和相位不平衡对电性能响加以说明。
( 8 )单边带调制器。在多信道发射系统中,由于基带频率很低若采用普通混频器作频谱搬移,则在信道带宽内将有两个边带,从而影响频谱资源的利用。这时可采用单边带调制器来抑制不需要的边带, 其基本结构为两个混频器、一个90度功分器和一个同相功分器。将基带信号分解为正交两路与本振的正交两路信号混频,采用相位抵销技术来抑制不需要的边带,本振由于混频器自身的隔离而得到抑制。
IQ混频器
IQ混频器与常规混频器的区别在于:
中频IF由I、Q两路组成
LO内有有电桥
内部由2个混频组成。

图1:IQ混频器原理框图
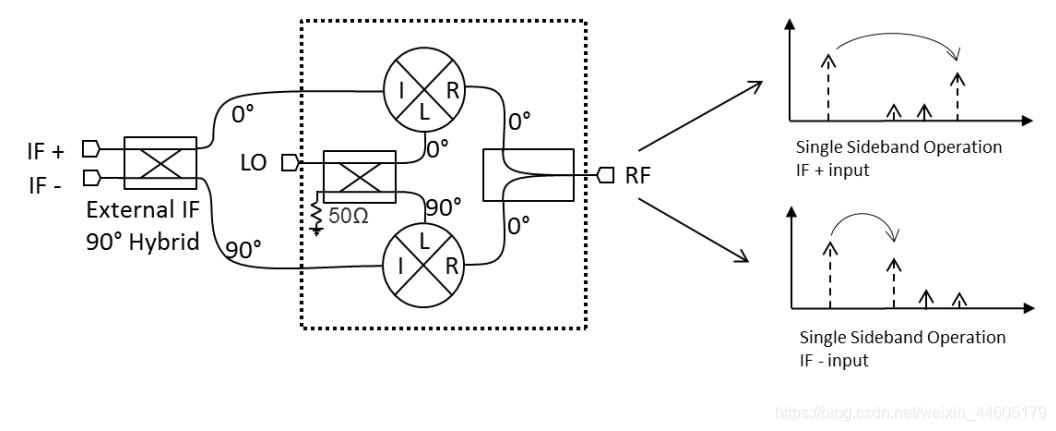
1. 上变频,边带抑制混频器 SSB Mixer
用作上变频时,也叫边带抑制混频器,IF端口加电桥。
通过选择输入电桥端口,选择射频的上边带或下边带;
通过调节IQ偏置电压可以调节LO本振泄露;
通过IQ两路的平衡度调节边带抑制。

2. 下变频,也叫镜像抑制混频器IR Mixer
在IF端加电桥,可以抑制镜像干扰产生的中频信号。
3. 典型的超外超系统

如果使用常规的平衡混频器,将IF上变频后,在LO两端有同样功率大小的频率,LO+IF和LO-IF,需要用滤波器将其滤波器;
在接收端,必须加前置滤波器,否则镜像频率和目标频率与LO混频后,产生的频率都是IF,无法区分。
4. IQ混频器系统

采用IQ混频器,在发射端和接收端可以减去滤波器,从而减小系统尺寸,简化设计。
5. Marki IQ Mixer
产品封装包括:同轴、表贴SMT、裸芯片Die等。