LLC谐振变换器学习二
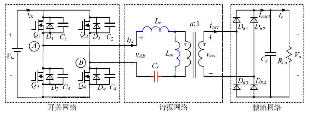
LLC谐振变换器网络划分:

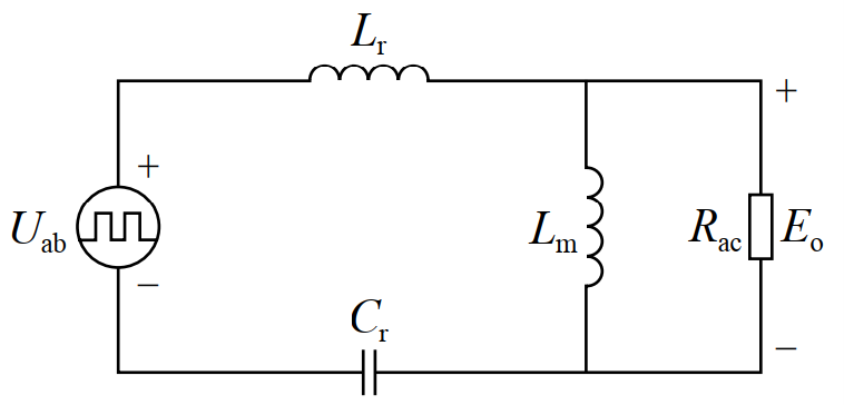
LLC谐振变换器的等效电路:

整流输出网络对谐振槽路的负载效应可等效为一个电阻Req

开关网络的输出电压和输出电流分别为谐振网络的输入电压和输入电流;同时, 谐振网络的输出电压和电流也是输出网络的输入电压和输入电流。求出谐振网络的增益:


谐振网络增益:

根据增益表达式可以看出谐振网络在开关操作频率等于谐振频率时,增益与品质因数无关,即增益与负载无关。它们各自增益曲线在标准开关频率处谐振网络增益都等于单位一。
各参数对谐振变换器的影响:

Q值:观察曲线可以得知,Q 值的大小直接影响到变换器的直流增益是否足够大,在低输人电压工况下,输出电压能否符合设计的输出值。Q 值越小,曲线越陡峭,可以获得的增益越大。但是频率调节的范围就会变宽,不利于磁性元件的工作。 Q 值曲线的右侧为 ZVS 区,将不同Q值曲线的顶点相连接 这一条曲线是保证最小频率下能实现 ZVS 的临界条件。如果频率减小变换器将会进入 ZCS 区域。

K值:当 Q 值固定以后绘出增益函数曲线,分别选取 k=1,k=5,k=10 三种不同的 k 值,比较增益曲线。通过比较 k 值变化得出,k 值越小,曲线越陡峭,要获取相同增益时,频率变化越小。
Lm:当励磁电感lm较小时,就可以得到较窄的频率调节范围。但是会产生很大的励磁电流,较大的励磁电流就会增加开关损耗和导通损耗。由于 MOSFET 开关管存在结电容,要实现开关管的零电压开通(ZVS)必须使得谐振电感电流 Im 的峰值让将要开通的 MOSFET 的结电容在死区时间内完全放电,让其两端电压降为零。而对于已经关断的开关管,要将它结电容充电到输入电压。
串联谐振电容的作用cr:1、防止方波发生器输出电压的直流分量到变压器。2、与Lr组成谐振网络。当谐振电容 Cr 较大时,Cr 上的电压应力就会小,带来的问题是谐振网络的阻抗也会小,这会影响短路电流。当谐振网络的阻抗很小时,就会出现较高的短路电流,就必须用更高的开关频率限制输出电流。随着开关频率的下降导通损耗就会增加 。

重载:负载加重Q值变大,曲线变得平缓,对应工作点左移,系统输入频率减小。
轻载:负载减轻Q值变小,增益曲线陡峭,对应工作点右移,系统输入频率增大。