AG9310MEQ AG9310MFQ 安格两款USB TYPEC转HDMI音视频数据转换功能芯片参数差异与设计电路参考

  • Post author:
  • Post category:其他


AG9310MEQ AG9310MFQ 安格两款USB  TYPEC转HDMI音视频数据转换功能芯片参数差异与设计电路参考

AG9310系列都是用于设计全功能USB TYPEC转HDMI音视频数据转换产品功能的芯片,AG9310MEQ和AG9310MFQ都支持USB Type-C 显示端口替代模式,可以将视频和音频流从USB Type-C 接口传输到HDMI端口。在AG9310MEQ和AG9310MFQ中,支持1路、2路@1.62Gbps、2.7Gbps和5.4Gbps频率输入的不同配置,HDMI支持4K2K@30Hz输出。因此AG9310MEQ和AG9310MFQ都可以很轻松实现Type-C 转HDMI数据转换器转接。

AG9310MEQ和AG9310MFQ参数特性:

嵌入式16位MCU

AG9310支持EDID和MCC直通

支持热插拔检测

AG9310支持外部SPI闪存固件升级

支持嵌入式HDCP 1.4

1.2V核心电源和3.3V I/O电源

嵌入式5V/1.2V高效稳压器

同时显示通过HDMI输出

2KV ESD性能

支持下行扩频时钟(SSC)

AG9310MEQ和AG9310MFQ区别在于AG9310MEQ需要SPI才可以成功实现USB TYPEC 转HDMI投屏,而且可以随着市面的部分新出的机型如TYPEC接口手机、TYPEC接口的MAC和IPAD产品兼容性进行实时在线更新,即所谓的FW功能。

AG9310MFQ是目前安格最新出的一款芯片内置SPI实现USB TYPEC转HDMI投屏,但是对于特殊或者最新出的Type-C接口的手持和电脑适配,无法识别或者兼容性有问题的产品,是不可以进行产品升级和在线更新,即所谓的不具备FW功能。

AG9310MEQ和AG9310MFQ芯片封装和印字如下:

AG9310MEQ和AG9310MFQ在设计USB TYPEC转HDMI音视频数据转换产品中 设计结构方框图如下所示:

AG9310MEQ和AG9310MFQ设计USB TYPEC转HDMI音视频数据转换产品的适用范围和优势特性:

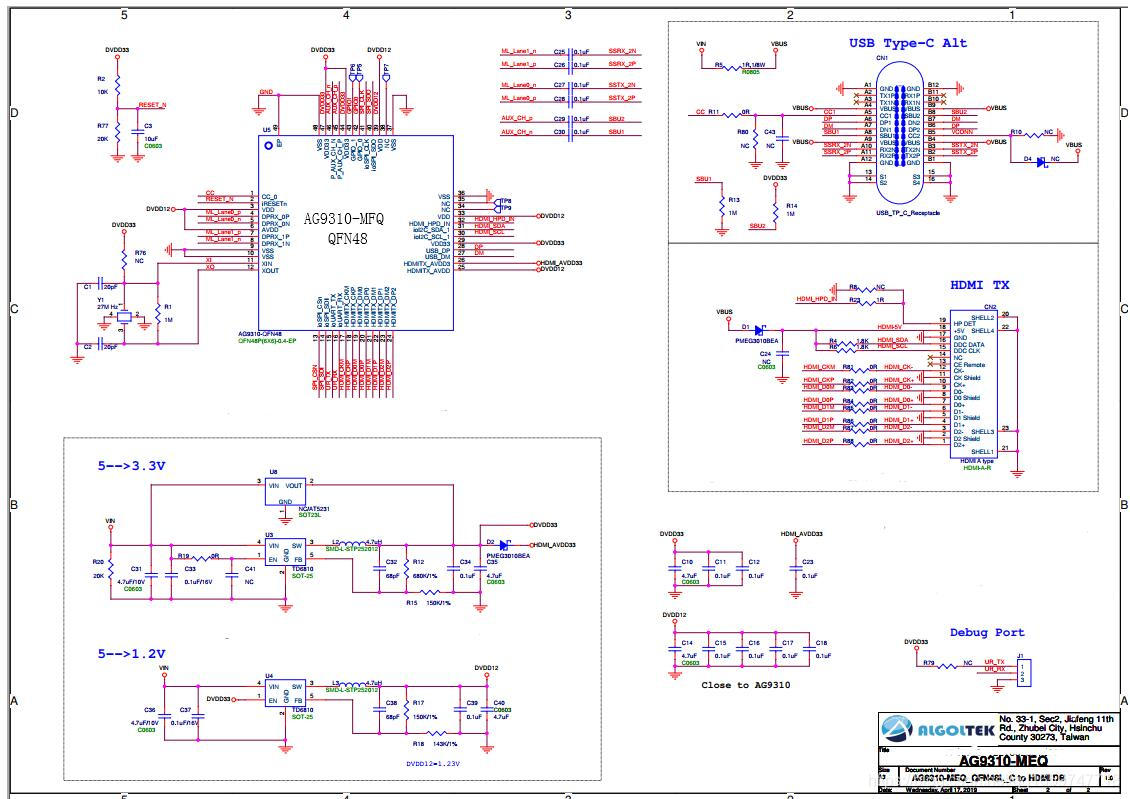
AG9310MEQ设计以上TYPEC转HDMI音视频转换电路的原理图如下所示:

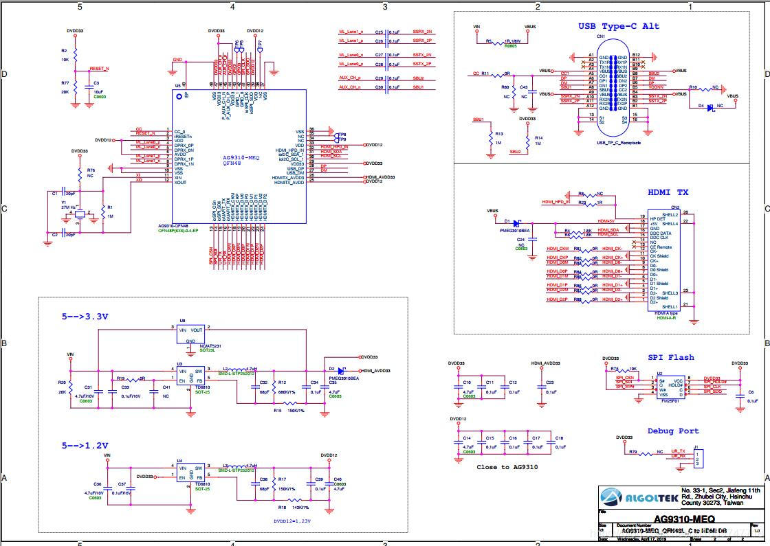
AG9310MFQ设计USB TYPEC转HDMI音视频数据转换产品的电路原理图如下所示:



版权声明:本文为qq1659747718原创文章,遵循 CC 4.0 BY-SA 版权协议,转载请附上原文出处链接和本声明。