一,CPU 需要与 PL 进行小批量的数据交换,可以通过 Block RAM 实现,BRAM 就是Block Memory,是Zynq的PL端的存储RAM单元。可以利用BRAM,在PS和PL之间进行数据的交换。由于BRAM可以在PS和PL之间传递数据,ZYNQ可以利用PS从外部接收数据。
     
   
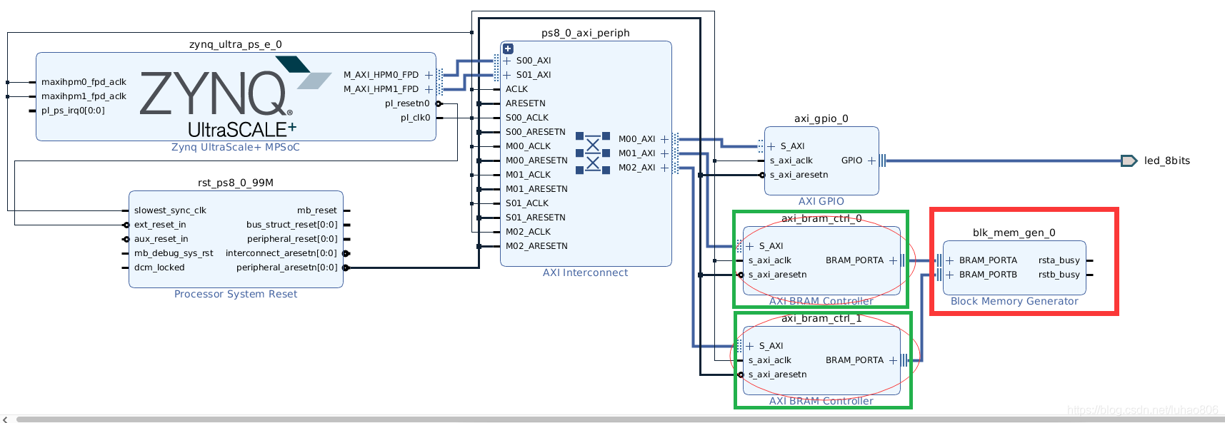
二,软件平台:Vivado 2018.3 PetaLinux 2018.3 Ubuntu16.04,vivado配置如图
     
   
IP核配置
     
   
address editor分配,生成bit文件导入sdk。
     
   
三,从裸机sdk写代码读写bram
#include "xil_printf.h"
#include <stdio.h>
#include "platform.h"
#include "xil_io.h"   //这个头文件下面包含IO读写函数
#include "xparameters.h"  //这个头文件里把硬件的地址映射等参数都写成了宏定义方便使用
int main()
{
       int num;
       int rev;
    init_platform();
    xil_printf("------The test is start...------\n\r");
    //XPAR_AXI_BRAM_CTRL_0_S_AXI_BASEADDR是axi_bram_ctrl_0的地址,Xil_Out32通过控制axi_bram_ctrl_0,向blk_mem_gen_0写数据
    for( num=0; num<5; num++ )
    {
       Xil_Out32(XPAR_AXI_BRAM_CTRL_0_S_AXI_BASEADDR + num*4, 0x10000000+num);     //
    }
    //XPAR_AXI_BRAM_CTRL_1_S_AXI_BASEADDR是axi_bram_ctrl_1的地址,Xil_In32 通过控制axi_bram_ctrl_0,把blk_mem_gen_0里的数据读出来
    //PS和PL可以在blk_mem_gen_0里共享数据
   for( num=0; num<15; num++ )
       {
              rev = Xil_In32(XPAR_AXI_BRAM_CTRL_1_S_AXI_BASEADDR + num*4);
              xil_printf( "address %x is %x \n\r",XPAR_AXI_BRAM_CTRL_1_S_AXI_BASEADDR + num*4,rev);
       }
    xil_printf("------The test is end!------\n\r");
    cleanup_platform();
    return 0;
}
设置板子为flash模式并run as sdk程序,打印看到ps通过bram往0xB000 0000的写的数据,在0xA000 0000看到了.ps串口打印如下:
address A0000000 is 10000000
address A0000004 is 10000001
address A0000008 is 10000002
address A000000C is 10000003
address A0000010 is 10000004
四,从linux操作系统读写bram进行数据交互
1,导入petalinux环境和arm-linux-gnueabihf-编译器
source /opt/Xilinx/Vivado/2018.3/settings64.sh  
source /opt/pkg/petalinux/settings.sh2,搭建petalinux编译工程,然后进入bram_test
petalinux-create –type project -s xilinx-zcu102-v2018.3-final.bsp –name bram_test
或petalinux-create -t project -s xilinx-zcu102-v2018.3-final.bsp -n bram_test
3,在bram_test平行的目录mkdir linux_base.sdk文件夹,然后把sdk文件夹导出的.hdf文件复制到linux_base.sdk目录,从petalinux2018.3导入hdf并且编译启动方式配置信息,可以自己配置为flash启动,EMMC启动或者SD卡启动;
petalinux-config –get-hw-description ../linux_base.sdk
4,编译内核petalinux-config -c kernel,编译根文件petalinux-config -c rootfs,最后petalinux-build编译image.ub
5,编译完后,打包生成BOOT.BIN,输入petalinux-package –boot –fsbl zynqmp_fsbl.elf –fpga system.bit –u-boot –force
6,交叉编译应用bram_test.c程序:arm-linux-gnueabihf-gcc bram_test.c -o bram_test
#include <stdio.h>
#include <stdlib.h>
#include <unistd.h>
#include <string.h>
#include <errno.h>
#include <signal.h>
#include <fcntl.h>
#include <ctype.h>
#include <termios.h>
#include <sys/types.h>
#include <sys/mman.h>
 
#define FATAL do { fprintf(stderr, "Error at line %d, file %s (%d) [%s]\n", \
  __LINE__, __FILE__, errno, strerror(errno)); exit(1); } while(0)
 
#define MAP_SIZE 4096UL
#define MAP_MASK (MAP_SIZE - 1)
 
int main(int argc, char **argv) 
{
    int fd;
    void *map_base, *virt_addr; 
    unsigned long read_result, writeval;
    off_t target;
    int access_type = 'w';
    if(argc < 2) 
    {
        fprintf(stderr, "\nUsage:\t%s { address } [ type [ data ] ]\n"
            "\taddress : memory address to act upon\n"
            "\ttype    : access operation type : [b]yte, [h]alfword, [w]ord\n"
            "\tdata    : data to be written\n\n",
            argv[0]);
        exit(1);
    }
    target = strtoul(argv[1], 0, 0);
    if(argc > 2)
    {
        access_type = tolower(argv[2][0]);
    }
    if((fd = open("/dev/mem", O_RDWR | O_SYNC)) == -1) FATAL;
    printf("/dev/mem opened.\n"); 
        fflush(stdout);
 
    /* Map one page */
    map_base = mmap(0, MAP_SIZE, PROT_READ | PROT_WRITE, MAP_SHARED, fd, target & ~MAP_MASK);
    if(map_base == (void *) -1) FATAL;
    printf("Memory mapped at address %p.\n", map_base); 
    fflush(stdout);
 
    virt_addr = map_base + (target & MAP_MASK);
    switch(access_type) 
    {
        case 'b':
            read_result = *((unsigned char *) virt_addr);
            break;
        case 'h':
            read_result = *((unsigned short *) virt_addr);
            break;
        case 'w':
            read_result = *((unsigned long *) virt_addr);
            break;
        default:
            fprintf(stderr, "Illegal data type '%c'.\n", access_type);
            exit(2);
    }
    printf("Value at address 0x%X (%p): 0x%X\n", target, virt_addr, read_result); 
    fflush(stdout);
    if(argc > 3) 
    {
        writeval = strtoul(argv[3], 0, 0);
        switch(access_type) 
        {
            case 'b':
                *((unsigned char *) virt_addr) = writeval;
                read_result = *((unsigned char *) virt_addr);
                break;
            case 'h':
                *((unsigned short *) virt_addr) = writeval;
                read_result = *((unsigned short *) virt_addr);
                break;
            case 'w':
                *((unsigned long *) virt_addr) = writeval;
                read_result = *((unsigned long *) virt_addr);
                break;
        }
        printf("Written 0x%X; readback 0x%X\n", writeval, read_result); 
        fflush(stdout);
    }
    if(munmap(map_base, MAP_SIZE) == -1) FATAL;
    close(fd);
    return 0;
}7,按照第3步配置的启动方式烧如BOOT.bin和image.ub,上电启动;把应用程序bram_test导入到板子运行测试程序./bram_test,可以看到往0xA000 0000写的值和0xB000 0000读出来的值是相同的
 
