本篇文章为永磁同步电机模型预测控制(PMSM-MPC)Simulink仿真教程
    
   
    
     包含了控制原理和simulink仿真搭建。
    
   
    
     详细的描述了模型预测的研究。个人花费了很久的时间整理和完善!希望对大家有用喔!
    
   
    
     希望大家点赞,收藏喔!!!!!
    
   
联系
weixin:shadowknight007
    
     目录
    
   
    
     永磁同步电机有限控制集模型预测电流控制仿真(PMSM-CCS-MPCC)
    
   
    
     永磁同步电机有限控制集模型预测转矩控制仿真(PMSM-CCS-MPTC)
    
   
    模型预测控制原理
   
    
     MPC
    
    
     的发展由来
    
   
随着数字技术的进步,2004 年 Rodriguez 率先成功地将 MPC 应用于 PMSM 驱动系统中,得到了国内外学者的广泛关注。MPC 凭借多目标、多变量和多约束的控制特性以及直观、简单的设计方法,在众多先进电机控制算法中脱颖而出,在下一代 PMSM 控制策略中占有重要地位。按照控制动作的不同,PMSM MPC 策略可以分为有限控制集模型预测控制( FCS-MPC)和连续控制集模型预测控制( CCS-MPC)两类。其中 FCS-MPC 在预测模型中考虑了变流器的离散开关特性,直接以逆变器开关信号作为控制动作,无需调制技术的辅助; CCS-MPC 在建立预测模型过程中,并未考虑逆变器的数学模型,需要辅助调制技术输出最优定子电压来控制电机。按照控制行为分类,PMSM MPC策略可以分为预测电流控制、预测转矩控制、预测转速控制和预测位置控制等。
    
     MPC的框架分类
    
   
     
   
     
   
    
     MPC
    
    
     的基本原理
    
   
     
   
在当前控制时刻,利用可预测未来多个控制周期内的动态数学模型,计算有限时域内不同控制序列作用下的系统行为,并采用预设的价值函数得到最优控制序列,但是仅将最优控制序列中的第一个控制行为作用于系统,以实现滚动优化。
     
   
    1. 预测模型
   
预测模型是模型预测控制的基础,是对控制对象在未来有限时域内控制行为的精确描述。预测模型的作用在于预测系统性能和控制行为,故在实际应用中,般侧重于预测模型是否能够精确描述控制对象的输入、输出关系,而并不侧重于模型的结构。因此,脉冲响应、传递函数和状态方程都可作为预测模型。
    2.价值函数
   
不同类型的模型预测算法采用不同的函数来评价控制行为,以得到相应的模型预测控制律,将这些函数统称为“价值函数”。
    3.滚动优化
   
在每个控制周期内,模型预测控制算法对未来多步内系统的控制行为进行预测寻优,但仅利用所得最优控制序列中的第一个控制输入作用于控制对象。到下采样时刻,重复进行价值函数优化求解过程。显然,模型预测控制的优化不是次离线进行,而是随着采样时刻的前进反复地在线进行,故称为滚动优化。这种滚动优化虽然得不到一般意义上的全局最优解,但是通过对控制对象在每一个刻内的运行状态和跟踪偏差进行采集、更新,并利用这些实时信息对基于模型的预测结果进行修正,然后再进行重新优化,以及时校正控制过程中出现的各种复杂情况。
     
   
1.有限集模型预测控制策略仅利用8个幅值和方向基本电压矢量来控制电机,使得磁链和转矩调节的自由度受到了限制,故在离散控制周期较长时,该类控制策略难以实现较髙精度的转矩控制,造成了较大的稳态转矩波动。连续集模型预测控制策略借助调制技术,可利用电压复平面内任意幅值和相角的电压矢量来控制电机,可实现对转矩和磁链的精确调节,具有优良的稳态控制性能。
2.有限集多步预测控制策略在保证电机良好动、静态性能的同时,可减逆变器的开关频率,提升电机驱动系统的运行效率。然而,经典算法中采用的多步预测模型复杂度较高,且传统穷举寻优方法的求解效率太低,使得有限集多步预测控制策略在实际应用中几乎难以实现。
3.有限集模型预测控制策略采用的预测模型对电机参数依赖程度过高,从而在电机参数发生改变时,会产生稳态跟踪偏差;连续集模型预测控制策略中由于嵌入了积分环节,对电机参数变化这类慢变扰动具有较强的抑制能力。但是控制器电流釆样误差、逆变器死区效应和永磁磁链谐波会在闭环系统中引入周期性扰动,且这些扰动不具有精确的数学模型,故经典连续集预测模型无法对它们进行建模,从而导致电机输岀转速和转矩岀现周期性波动,使得连续集模型预测控制策略的稳态性能受到了影响。
    
     MPC存在的问题即发展方向
    
   
- FCS-MPC策略中电机参数变化会直接影响预测控制的性能,模型参数变化会导致模型失配。目前解决模型失配问题从构造扰动观测器、模型参数估计这两个方面展开,被动地减小参数变化带来的影响,没有具体分析MPC对参数变化的容忍度,也没有从模型自身的抗干扰性出发。对成本函数的研究主要集中在多约束变量和加权系数配置,对控制系统的稳定性分析却很少,原因是构造的成本函数大多不符合李雅普诺夫函数的定义。 FCS-MPC不需要调制单元,因此逆变器开关频率不固定、交流电压和电流的谐波频谱分散,限制了其实际应用。目前一般采用结合调制技术的思想和开关序列控制的思想,没有从根本上去分析 FCS-MPC开关频率与控制量之间的关系。
     
   
(2) CCS-MPC策略需要PWM调制器,开关频率固定并且可以得到解析解,使得长预测时域的实现成为可能。计算量大的问题在基于GPC的电机控制系统中尤为突出,对GPC的研究主要集中在降低计算量、解决带约束优化问题,以及结合状态观测器来消除外部干扰对系统的影响,目前GPC在电机控制领域的应用研究较少。EMPC的硏究集中在解决存储容量问题、改进划分状态区的方法及在线査找算法,但是随着被控系统数学模型复杂度的增加,获得状态区的数量呈指数形式增大,离线的计算量增大所花费的时间更长。未来研究方向:提出更有针对性的査找算法;采用近似手段,研究近似显式模型预测控制,在有效控制的基础上,希望通过牺牲精度来减少数据量,提高计算速度。
     
   
(3)电机控制系统在实际运行中可能会存在各种影响,例如控制器、传感器和电机在受到外部扰动时会产生系统延时、测量误差及参数漂移等现象,使模型预测控制器应用于实际对象时可能造成系统参数整定困难、系统性能变差甚至失稳的后果,对造成这些后果的原因缺少精细化的分析。在对电机控制精度要求越来越严格的今天,鲁棒模型预测控制的研究已迫在眉睫。
(4)电机是一类具有强耦合、非线性系统,现阶段在构建预测模型时均是采用近似手法,未来研究方向可通过非线性工具来构建电机MPC,进一步提高预测系统未来动态的准确性。
    永磁同步电机有限控制集模型预测电流控制仿真(PMSM-CCS-MPCC)
   
    仿真整体框图
   
     
   
    控制原理
   
    逆变器电压选择
   
     
   
     
   
     
   
     
   
     
   
    预测电流控制方程
   
     
   
永磁同步电机电压方程
     
   
     
   
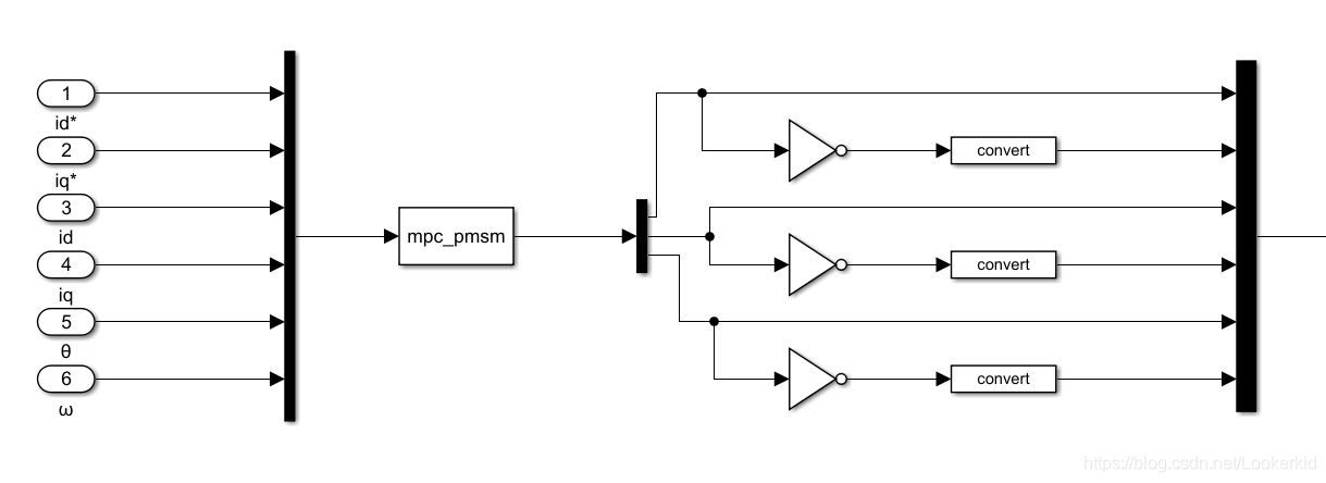
    MPCC控制模块
   
     
   
    内部结构
   
     
   
     
   
    电机模块
   
    
     
   
    逆变器模块
   
     
   
    输出结果
   
    转速
   
     
   
    转矩
   
     
   
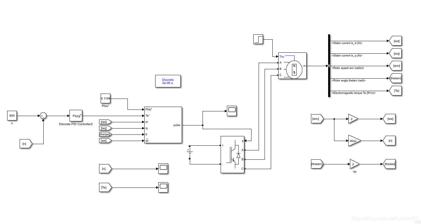
    永磁同步电机有限控制集模型预测转矩控制仿真(PMSM-CCS-MPTC)
   
    仿真整体框图
   
     
   
    控制原理
   
     
   
     
   
     
   
     
   
     
   
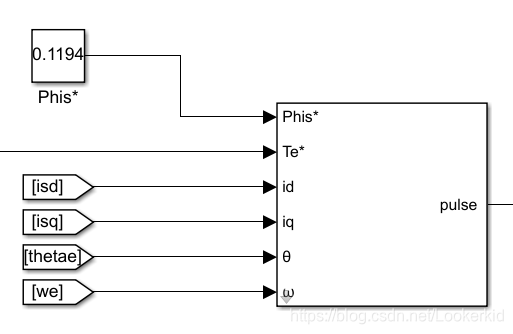
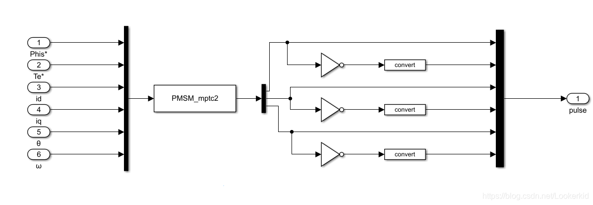
    MPTC模块
   
     
   
    内部结构
   
     
   
    电机模块
   
    
     
   
    逆变器模块
   
     
   
    输出结果
   
    转速
   
     
   
    转矩
   
     
   
    
     个人学习中还存很多的不足希望向大家学习。
    
   
    
     完整的仿真搭建已经详细给出,可以自行搭建,需要我的原版模型和有相关问题联系微信。
    
   
    
     
      weixin:shadowknight007
     
    
   
 
