使用软件:stm32cubemx
开发板:野火指南者stm32f103vet6
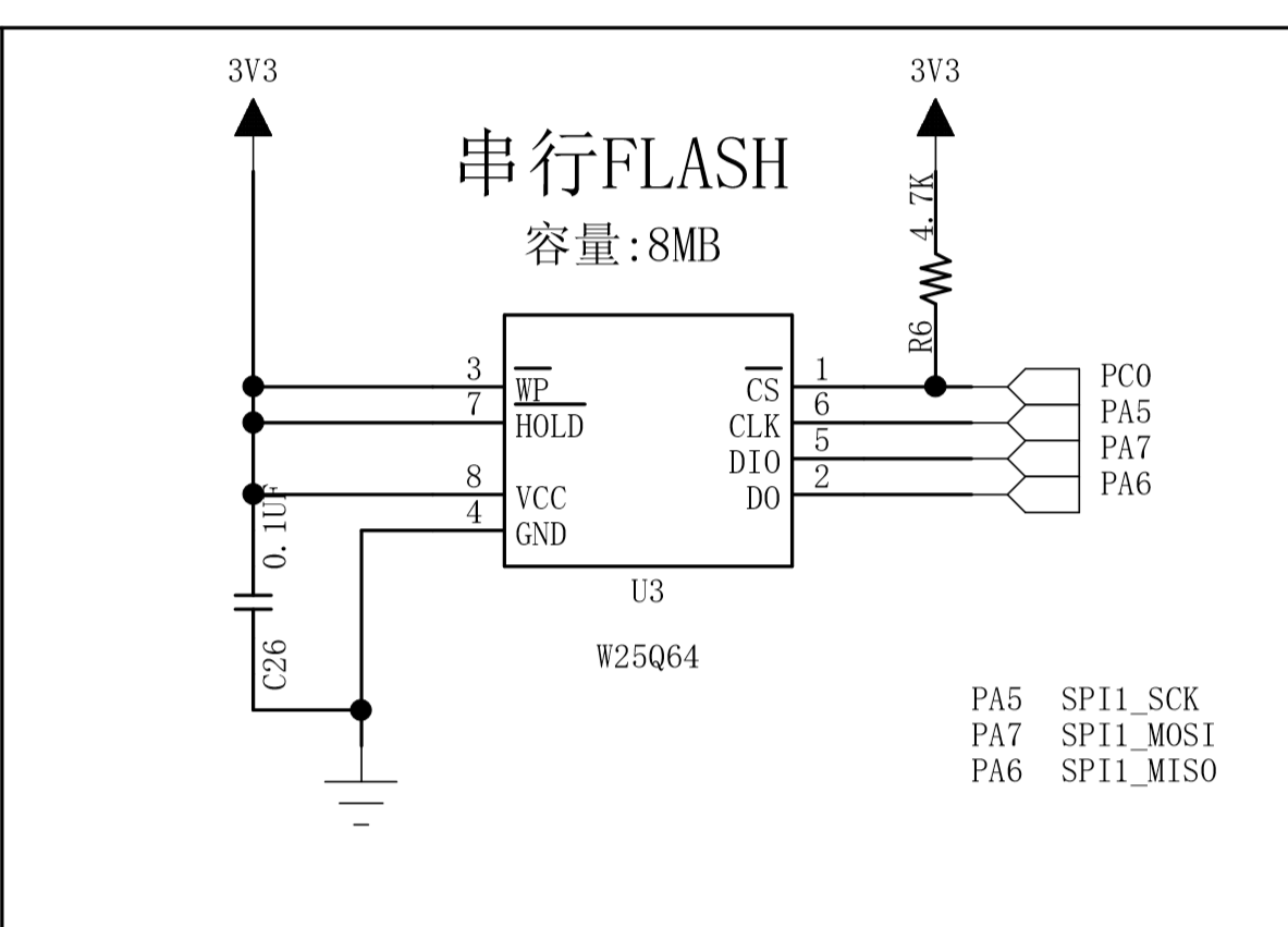
芯片类型;W25Q64Flash
HAL库;STM32Cube FW_F1 V1.8.0
实现功能:串行flash模拟u盘
stm32cubemx配置:
1.RCC
2.SYS
3.SPI1(我的开发板flash复用的是SPI1,cs位手动使能)
4.USART1(可以不要,调试用)
5.USB
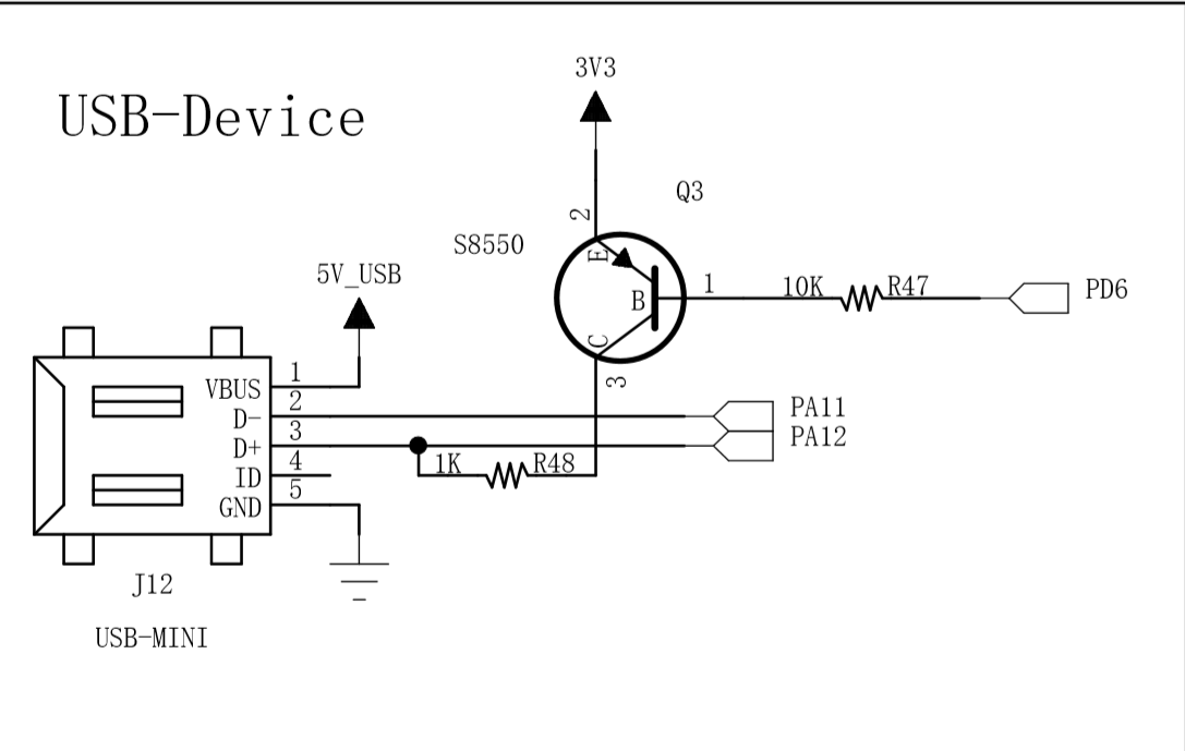
6.USB Device(PD6—上电使能位IO)
没有挂载文件系统,最后需要格式化一下U盘才能使用。
先了解一下f这些知识;
1.堆栈的理解
程序内存可以分为几个区,栈区(stack),堆区(Heap),全局区(static),文字常亮区,程序代码区。
堆和栈的第一个区别就是申请方式不同:栈(英文名称是stack)是系统自动分配空间的,例如我们定义一个 char a;系统会自动在栈上为其开辟空间。而堆(英文名称是heap)则是程序员根据需要自己申请的空间,例如malloc(10);开辟十个字节的空间。由于栈上的空间是自动分配自动回收的,所以栈上的数据的生存周期只是在函数的运行过程中,运行后就释放掉,不可以再访问。而堆上的数据只要程序员不释放空间,就一直可以访问到,不过缺点是一旦忘记释放会造成内存泄露。
网上一个很好的比喻,摘抄下来,以便理解:
使用栈就象我们去饭馆里吃饭,只管点菜(发出申请)、付钱、和吃(使用),吃饱了就走,不必理会切菜、洗菜等准备工作和洗碗、刷锅等扫尾工作,他的好处是快捷,但是自由度小。
2.W25Q64Flash芯片
1 块 -16个扇区,1个扇区 -4K(4096)字节 ,1个字节 -8位二进制/8个bit

图片来自这位大佬的博客(有更详细的介绍);
https://blog.csdn.net/lalala098/article/details/81302579

PD6为低电平时USB才能正常工作,不管的话,USB就不会工作
stm32cubeMX配置程序



3.SPI

4.USART1

5.USB

6.USB_DEVICE
这里修改了USB读/写缓冲区的大小,设为4096。因为我的串行FLASH的扇区为4096字节。
当然,如果是SD卡,使用默认的512就可以了。

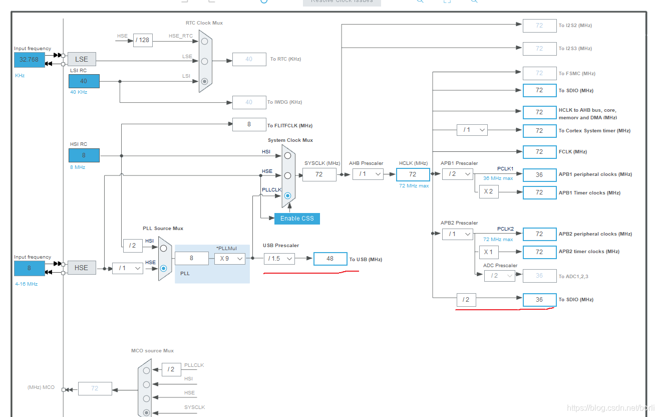
7.配置时钟

8.改一下文件名,修改堆大小
到这里就配置完成了。
改程序
SPI驱动取自这位大佬博客;
https://blog.csdn.net/a3748622/article/details/80347730
spi.c
```c
```c
/**
******************************************************************************
* File Name : SPI.c
* Description : This file provides code for the configuration
* of the SPI instances.
******************************************************************************
* @attention
*
* <h2><center>© Copyright (c) 2020 STMicroelectronics.
* All rights reserved.</center></h2>
*
* This software component is licensed by ST under Ultimate Liberty license
* SLA0044, the "License"; You may not use this file except in compliance with
* the License. You may obtain a copy of the License at:
* www.st.com/SLA0044
*
******************************************************************************
*/
/* Includes ------------------------------------------------------------------*/
#include "spi.h"
/* USER CODE BEGIN 0 */
#include "gpio.h"
#define SPI_FLASH_PageSize 256
uint8_t d_read,d_send;
/* USER CODE END 0 */
SPI_HandleTypeDef hspi1;
/* SPI1 init function */
void MX_SPI1_Init(void)
{
hspi1.Instance = SPI1;
hspi1.Init.Mode = SPI_MODE_MASTER;
hspi1.Init.Direction = SPI_DIRECTION_2LINES;
hspi1.Init.DataSize = SPI_DATASIZE_8BIT;
hspi1.Init.CLKPolarity = SPI_POLARITY_LOW;
hspi1.Init.CLKPhase = SPI_PHASE_1EDGE;
hspi1.Init.NSS = SPI_NSS_SOFT;
hspi1.Init.BaudRatePrescaler = SPI_BAUDRATEPRESCALER_64;
hspi1.Init.FirstBit = SPI_FIRSTBIT_MSB;
hspi1.Init.TIMode = SPI_TIMODE_DISABLE;
hspi1.Init.CRCCalculation = SPI_CRCCALCULATION_DISABLE;
hspi1.Init.CRCPolynomial = 10;
if (HAL_SPI_Init(&hspi1) != HAL_OK)
{
Error_Handler();
}
}
void HAL_SPI_MspInit(SPI_HandleTypeDef* spiHandle)
{
GPIO_InitTypeDef GPIO_InitStruct = {
0};
if(spiHandle->Instance==SPI1)
{
/* USER CODE BEGIN SPI1_MspInit 0 */
/* USER CODE END SPI1_MspInit 0 */
/* SPI1 clock enable */
__HAL_RCC_SPI1_CLK_ENABLE();
__HAL_RCC_GPIOA_CLK_ENABLE();
/**SPI1 GPIO Configuration
PA5 ------> SPI1_SCK
PA6 ------> SPI1_MISO
PA7 ------> SPI1_MOSI
*/
GPIO_InitStruct.Pin = GPIO_PIN_5|GPIO_PIN_7;
GPIO_InitStruct.Mode = GPIO_MODE_AF_PP;
GPIO_InitStruct.Speed = GPIO_SPEED_FREQ_HIGH;
HAL_GPIO_Init(GPIOA, &GPIO_InitStruct);
GPIO_InitStruct.Pin = GPIO_PIN_6;
GPIO_InitStruct.Mode = GPIO_MODE_INPUT;
GPIO_InitStruct.Pull = GPIO_NOPULL