之前在solidworks 创建的机械臂模型的数据十分清晰,我们利用这个模型绘制机械臂的标准D-H参数表。
第一步

数据十分清晰,方便我们绘制标准D-H参数表。
第二步-绘制以及编写标准D-H参数表
设定横向的Z轴都垂直于纸面向外。关于旋转方向正反馈问题,也是使用右手法则,大拇指指向轴的正方向,四指所指方向便为旋转的正方向。

这副图和表经过多次的验证,应该不会出错,
起始角度依次为{0 90 0 0 0 0 }。
第三步——matlab工具箱验证

下面是程序 ,仅供参考
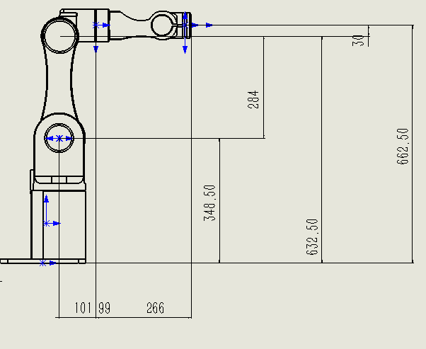
L1 = Link([0 348.5 0 pi/2 ],‘standard’);%1 2 这里并没有平移关系
L2 = Link([0 0 284 0 ],‘standard’);%2 3
L3 = Link([0 0 30 pi/2 ],‘standard’);%3 4
L4 = Link([0 286.5 0 -pi/2 ],‘standard’);%4 5
L5 = Link([0 0 0 pi/2 ],‘standard’);%5 6
L6 = Link([0 81.5 0 0 ],‘standard’);%6 和末端执行器
robot = SerialLink([L1 L2 L3 L4 L5 L6 ],‘name’, ‘my robot’);
robot.plot([0 pi/2 0 0 0 0 ]);
teach(robot);
在标准D-H参数法的基础上,根据资料的固定设定,对标准D-H程序进行详细的解释:
①连杆一L1是由一号舵机和二号舵机经过绕一号舵机的Z轴旋转和绕二号舵机的X轴旋转得到的连杆。②连杆二L2是由二号舵机和三号舵机绕二号舵机的Z轴旋转和沿着三号舵机的X轴平移若干个单位的连杆。③连杆三L3是由三号舵机和四号舵机经过绕三号舵机的X轴旋转和绕四号舵机的Z轴旋转得到的连杆。④连杆四L4则是由四号舵机和五号舵机经过绕四号舵机的Z轴旋转和绕五号舵机的X轴旋转得到的矩阵。⑤连杆五L5是由五号舵机和六号舵机经过绕五号舵机的X轴旋转和绕六号舵机的Z轴旋转得到的矩阵。⑥连杆六L6则是由六号舵机和末端执行器经过绕六号舵机的Z轴旋转得到的连杆。
基础的matlab 建模结束