Verilog可综合语句之task 与 function

  • Post author:
  • Post category:其他




Verilog可综合语句之task 与 function

function 定义

(1)函数通过关键词

function



endfunction

定义

(2)不允许输出端口声明(包括输出和双向端口) ,但可以有多个输入端口

(3)[

range

]参数指定函数返回值的类型或位宽,是一个可选项,若没有指定,默认缺省值为宽度

1 bit

的寄存器数据

(4)

function_name

为所定义函数的名称,对函数的调用也是通过函数名完成的,并在函数结构体内部代表一个 内部变量,函数调用的返回值就是通过函数名变量传递给调用语句。函数定义在函数内部会隐式定义一个寄存器变量,该寄存器变量和函数同名并且位宽也一致。函数通过在函数定义中对该寄存器的显式赋值来返回函数计算结果

(5)

input_declaration

为各个输入端口的位宽和类型进行说明,在函数定义中至少要有一个输入端口

特点:

(1)函数定义只能在模块中完成,不能出现在过程块中

(2)函数至少要有一个输入端口;不能包含输出端口和双向端口

(3) 在函数结构中, 不能使用任何形式的时间控制语句 (

#



wait

等) , 也不能使用

disable

中止语句

(4)函数定义结构体中不能出现过程块语句(

always

语句)

(5)函数内部可以调用函数,但不能调用任务。

调用:

(1)函数调用可以在过程块中完成,也可以在

assign

这样的连续赋值语句中出现。

(2)函数调用语句不能单独作为一条语句出现,只能作为赋值语句的右端操作数。

(3)如果

task

或者

function

在不同地方并发调用,则它们使用同一组变量个内存地址,存在冲突产生错误。

为避免错误,声明时在task和function后面加上automatic 关键字。如:

task automatic task_id




endtask

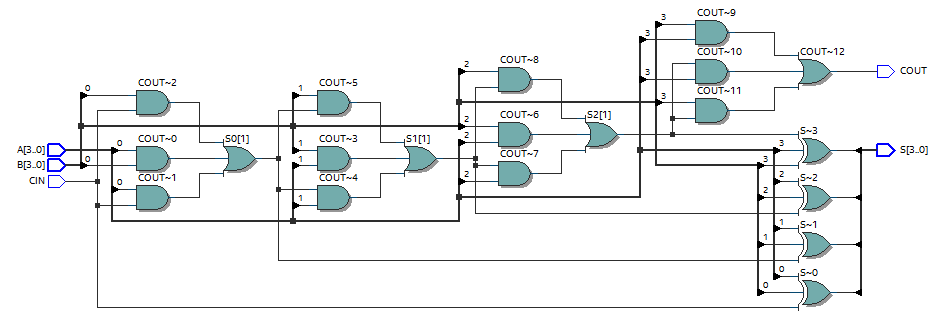
module full_adder_function(A,
                          B,
                          CIN,
                          S,
                          COUT);
 
    input[3:0]  A;
    input[3:0]  B;
    input  CIN;
    output[3:0]  S;
    output COUT;
    wire[3:0] S0,S1,S2,S3;
 
function signed[1:0] ADD;
//port declaration
    input A;
    input B;
    input CIN;
//internal node signals declaration
    reg S,COUT;   
 begin
    S = A^B^CIN;
    COUT = (A&B)|(A&CIN)|(B&CIN);
    ADD = {COUT,S};
end
 endfunction
 
    assign S0 = ADD(A[0],B[0],CIN);  
    assign S1 = ADD(A[1],B[1],S0[1]);  
    assign S2 = ADD(A[2],B[2],S1[1]); 
    assign S3 = ADD(A[3],B[3],S2[1]); 
 
    assign S = {S3[0],S2[0],S1[0],S0[0]};
    assign COUT = S3[1];
 endmodule 

function


任务定义

(1)在第一行

task

语句中不能列出端口名称; (2)任务的输入、输出端口和双向端口数量不受限制,甚至可以没有输入、输出以及 双向端口。

(3)在任务定义的描述语句中,可以使用出现不可综合操作符合语句(使用最为频繁 的就是延迟控制语句) ,但这样会造成该任务不可综合。

(4)在任务中可以调用其他的任务或函数,也可以调用自身。 (5)在任务定义结构内不能出现

initial



always

过程块。

(6)在任务定义中可以出现“

disable

中止语句” ,将中断正在执行的任务,但其是不

可综合的。当任务被中断后,程序流程将返回到调用任务的地方继续向下执行。

任务调用

任务的调用: 任务中不能出现

initial

语句和

always

语句语句, 但任务调用语句可以在

initial

语句和 always

语句中使用。 任务调用语句中,参数列表的顺序必须与任务定义中的端口声明顺序相同。

任务调用语句是过程性语句,所以任务调用中接收返回数据的变量必须是寄存器类型。

module full_adder_ask(A,
                      B,
                      CIN,
                      S,
                      COUT);
  input[3:0] A;
  input[3:0] B;
  input CIN;
  output[3:0] S;
  output COUT;
  reg[3:0] S0,S1,S2,S3;
 
task ADD; 
  input A;
  input B;
  input CIN;
  output[1:0] SUM;
  reg S;
  reg COUT;
 
begin
   S = A^B^CIN;
   COUT = (A&B)|(A&CIN)|(B&CIN);
   SUM  = {COUT,S};
end
endtask
 
always@(*)                             
begin                                               // 任务调用语句只能出现在过程块内
   ADD(A[0],B[0],CIN,S0);
   ADD(A[1],B[1],S0[1],S1);
   ADD(A[2],B[2],S1[1],S2);
   ADD(A[3],B[3],S2[1],S3);
end
   assign S = {S3[0],S2[0],S1[0],S0[0]};
   assign COUT = S3[1]; 
endmodule

task


结论:综合后的电路是一样的,但是应注意它们使用的场合以及注意事项,考虑什么情况下可综合,什么情况下不可综合。

#欢迎关注本人VX号,日常分享一些设计上的有趣小知识。

在这里插入图片描述



版权声明:本文为CrazyUncle原创文章,遵循 CC 4.0 BY-SA 版权协议,转载请附上原文出处链接和本声明。