使用STM32F103ZET6与OV7725进行图像监控系统设计
系统使用红外传感器检测环境,当感知到有人时,触发STM31外部中断,进行蜂鸣器报警并将当前图像内容进行保存,类似于拍照的功能,虽然单片机性能有限,但拍个照片存储到SD卡还是可以的。
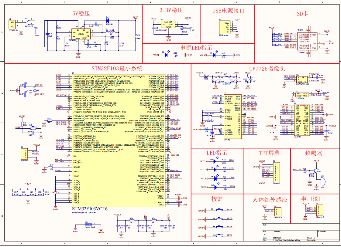
原理图使用AD17进行绘制,主要涉及到电源模块设计、单片机最小系统设计、OV7725模块设计、TFT屏幕、按键、蜂鸣器等。
电源部分的设计主要就是5V和3.3V电源,分别使用MP2303以及LM1117

这两个芯片都是相对常用的稳压芯片,而且性能稳定。实际使用中没发现什么大毛病。
OV7725模块的设计使用的时“正点原子的OV7725模块”(商业用途请自行联系卖家,本帖只是一个设计教程贴)
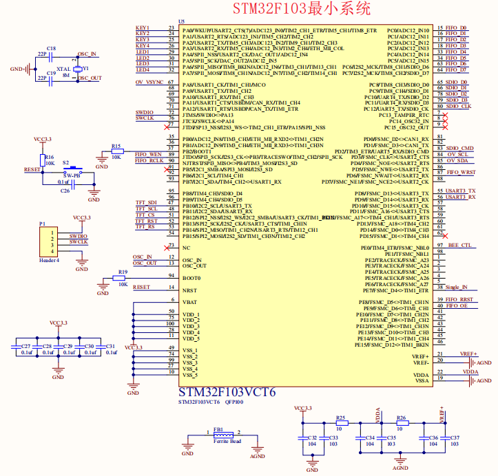
最小系统的核心设计如下:
模拟地与数字地进行单点接地处理,并使用π型滤波网络对模拟部分供电、ADC参考电压供电进行滤波处理,减小数字电源的干扰,需要高精度ADC参考电源的可设计专用的电路作为ADC电源。
TFT屏幕使用的比较简单,厂家是中景园电子,驱动芯片ST7735S

SD模块的原理图如下,使用的是Micro SD
完整的原理图如下:
硬件系统的设计比较简单,需要原理图源文件的可在博客下留言。
后续还会进行这个设计的软件部分设计详解,对STM32工程源码进行分享。
不足之处请多指教!
版权声明:本文为weixin_40105815原创文章,遵循 CC 4.0 BY-SA 版权协议,转载请附上原文出处链接和本声明。