基于动力学前馈加反馈线性化的机器人动力学控制实现

  • Post author:
  • Post category:其他




前言

本文介绍机器人力矩控制的一种方法——动力学前馈加反馈线性化,将机器人各关节的目标角度、角速度与实际角度、角速度的偏差构成线性误差,并引入到前馈分量中,从而跟踪期望的轨迹。核心内容源于Modern Robotics这本书的第11章第4节,笔者重在实践该部分理论。



理论



前馈控制

轨迹控制的策略之一是使用机器人的动力学模型来产生力矩,机器人的动力学模型如下:





τ

=

M

~

(

θ

)

θ

¨

+

h

~

(

θ

˙

,

θ

¨

)

\tau = \tilde M(\theta )\ddot \theta + \tilde h(\dot \theta ,\ddot \theta )






τ




=















M






~







(


θ


)









θ






¨









+















h






~







(









θ






˙







,











θ






¨







)







上式中,



τ

\tau






τ





为机器人的力矩,当



M

(

θ

)

=

M

~

(

θ

)

M(\theta ) = \tilde M(\theta)






M


(


θ


)




=















M






~







(


θ


)









h

(

θ

)

=

h

~

(

θ

)

h(\theta ) = \tilde h(\theta)






h


(


θ


)




=















h






~







(


θ


)





时,模型是完美的,即机器人的动力学模型是精确的,那么,在没有初始状态误差的前提下,机器人是可以准确的跟踪轨迹的。但在现实中,始终存在建模误差和外界干扰,完全精确的动力学模型是无法获得的。而所有实用的控制器中都使用反馈,所以将前馈控制和反馈一起使用会有更好的效果。



前馈加反馈线性化

将PID控制与机器人动力学模型结合起来,使其能沿着任何轨迹:





θ

¨

e

+

K

d

θ

˙

e

+

K

p

θ

e

+

K

i

θ

e

(

t

)

d

t

=

0

1

{\ddot \theta _e} + {K_d}{\dot \theta _e} + {K_p}{\theta _e} + {K_i}\int {

{\theta _e}(t)dt = 0} (1)















θ






¨















e





















+










K










d




























θ






˙















e





















+










K










p





















θ










e





















+










K










i





























θ










e



















(


t


)


d


t




=




0






1










通过上式并选取适当的PID增益能够确保轨迹误差的指数衰减,由于



θ

¨

e

=

θ

¨

d

θ

¨

{\ddot \theta _e} = {\ddot \theta _d} – \ddot \theta















θ






¨















e





















=

















θ






¨















d





































θ






¨










,其中



θ

¨

e

\ddot \theta _e














θ






¨















e





















角加速度误差,为实现误差动力学,为机器人选取如下指令加速度:





θ

¨

=

θ

¨

d

θ

¨

e

{\ddot \theta} = {\ddot \theta _d} – \ddot \theta_e














θ






¨










=

















θ






¨















d






































θ






¨















e























代入(1)式中:





θ

¨

=

θ

˙

d

+

K

d

θ

˙

e

+

K

p

θ

e

+

K

i

θ

e

(

t

)

d

t

2

{\ddot \theta}=\dot \theta _d+ {K_d}{\dot \theta _e} + {K_p}{\theta _e} + {K_i}\int {

{\theta _e}(t)dt }(2)














θ






¨










=
















θ






˙















d




















+










K










d




























θ






˙















e





















+










K










p





















θ










e





















+










K










i





























θ










e



















(


t


)


d


t






2










将(2)式代入机器人的动力学模型中,可得到反馈加前馈线性化控制器:





τ

=

M

~

(

θ

)

(

θ

˙

d

+

K

d

θ

˙

e

+

K

p

θ

e

+

K

i

θ

e

(

t

)

d

t

)

+

h

~

(

θ

˙

,

θ

¨

)

3

\tau = \tilde M(\theta )(\dot \theta _d+ {K_d}{\dot \theta _e} + {K_p}{\theta _e} + {K_i}\int {

{\theta _e}(t)dt }) + \tilde h(\dot \theta ,\ddot \theta ) (3)






τ




=















M






~







(


θ


)


(










θ






˙















d




















+










K










d




























θ






˙















e





















+










K










p





















θ










e





















+










K










i





























θ










e



















(


t


)


d


t



)




+















h






~







(









θ






˙







,











θ






¨







)





3










该控制器的框图如下图所示:

图1 控制框图




图1 控制框图




实践

本文基于simulink实现上述控制率,基于Simcape实现两连杆机械臂的模型搭建,从而完成轨迹跟踪。本文仅对简单的两连杆机械臂的实现,6自由度甚至更高自由度原理近似,有兴趣的读者可尝试去实现,不过高自由度机械臂动力学模型非常复杂,很难直接写出动力学方程表达式,可能需要递归逆运动学算法,其中包括正向迭代和逆向迭代阶段。



2连杆动力学模型

如图设2连杆的质心分别位于杆的中心处(图中质心为端点处,笔者设为了中心处),m1=m2=1kg,l1=l2=1m,2连杆动力学模型可基于拉格朗日方程推导出,详细推导过程见Modern Robotics第8章第1节,推导出方程为:

在这里插入图片描述




图2 连杆模型






τ

=

M

(

θ

)

θ

¨

+

c

(

θ

,

θ

˙

)

+

g

(

θ

)

h

(

θ

,

θ

˙

)

\tau=M(\theta) \ddot{\theta}+\underbrace{c(\theta, \dot{\theta})+g(\theta)}_{h(\theta, \dot{\theta})}






τ




=








M


(


θ


)










θ







¨









+

















h


(


θ


,










θ








˙








)































c


(


θ


,












θ







˙







)




+




g


(


θ


)






































M

(

θ

)

=

[

1

4

m

1

L

1

2

+

m

2

(

L

1

2

+

L

1

L

2

cos

θ

2

+

L

2

2

)

1

2

m

2

(

L

1

L

2

cos

θ

2

+

1

4

L

2

2

)

1

2

m

2

(

L

1

L

2

cos

θ

2

+

1

4

L

2

2

)

1

4

m

2

L

2

2

c

(

θ

,

θ

˙

)

=

[

m

2

L

1

L

2

sin

θ

2

(

θ

˙

1

θ

˙

2

+

1

2

θ

˙

2

2

)

1

2

m

2

L

1

L

2

θ

˙

1

2

sin

θ

2

]

g

(

θ

)

=

[

(

1

2

m

1

+

m

2

)

L

1

g

cos

θ

1

+

1

2

m

2

g

L

2

cos

(

θ

1

+

θ

2

)

1

2

m

2

g

L

2

cos

(

θ

1

+

θ

2

)

]

\begin{aligned} &M(\theta)=\left[\begin{array}{cc} \frac{1}{4} \mathfrak{m}_{1} L_{1}^{2}+\mathfrak{m}_{2}\left(L_{1}^{2}+L_{1} L_{2} \cos \theta_{2}+L_{2}^{2}\right) & \frac{1}{2} \mathfrak{m}_{2}\left(L_{1} L_{2} \cos \theta_{2}+\frac{1}{4} L_{2}^{2}\right)^{-} \\ \frac{1}{2} \mathfrak{m}_{2}\left(L_{1} L_{2} \cos \theta_{2}+\frac{1}{4} L_{2}^{2}\right) & \frac{1}{4} \mathfrak{m}_{2} L_{2}^{2} \end{array}\right.\\ &c(\theta, \dot{\theta})=\left[\begin{array}{c} -\mathbf{m}_{2} L_{1} L_{2} \sin \theta_{2}\left(\dot{\theta}_{1} \dot{\theta}_{2}+\frac{1}{2} \dot{\theta}_{2}^{2}\right) \\ \frac{1}{2} \mathfrak{m}_{2} L_{1} L_{2} \dot{\theta}_{1}^{2} \sin \theta_{2} \end{array}\right]\\ &g(\theta)=\left[\begin{array}{c} \left(\frac{1}{2} \mathfrak{m}_{1}+\mathfrak{m}_{2}\right) L_{1} g \cos \theta_{1}+\frac{1}{2} \mathfrak{m}_{2} g L_{2} \cos \left(\theta_{1}+\theta_{2}\right) \\ \frac{1}{2} \mathfrak{m}_{2} g L_{2} \cos \left(\theta_{1}+\theta_{2}\right) \end{array}\right] \end{aligned}





















































M


(


θ


)




=






[



























4
















1























m












1




















L











1










2





















+






m












2























(




L











1










2





















+





L











1




















L











2





















cos





θ











2





















+





L











2










2




















)






















2
















1























m












2























(




L











1




















L











2





















cos





θ











2





















+
















4
















1






















L











2










2




















)











































2
















1























m












2
























(




L











1




















L











2





















cos





θ











2





















+
















4
















1






















L











2










2




















)










































4
















1























m












2




















L











2










2

















































c


(


θ


,












θ







˙







)




=






[




















m












2




















L











1




















L











2





















sin





θ











2























(












θ







˙
















1




























θ







˙
















2





















+
















2
















1






























θ







˙
















2










2




















)






















2
















1























m












2




















L











1




















L











2




























θ







˙
















1










2





















sin





θ











2







































]












g


(


θ


)




=






[

















(















2
















1























m












1





















+






m












2




















)







L











1



















g




cos





θ











1





















+
















2
















1























m












2



















g



L











2





















cos





(



θ











1





















+





θ











2



















)





















2
















1























m












2



















g



L











2





















cos





(



θ











1





















+





θ











2



















)























]


























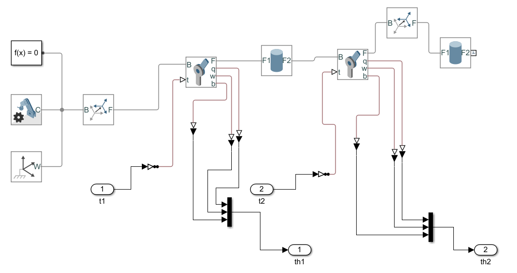
Simcape模型搭建

如图3所示,输入为关节力矩,输出为实时测量的角度、角速度和角加速度

图3 Simcape搭建




图3 Simcape搭建



实际搭建出的模型如图4所示:

图4 物理模型




图4 物理模型




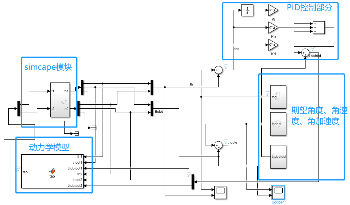
simulink控制率实现

图5为simulink的仿真图,联系了各关节的目标角度、角速度、角加速度与实际测得的角度、角速度,并将计算得到的力矩值输入到物理模型中产生所需的运动。

图5 控制率实现




图5 控制率实现




实践结果

笔者所给的期望角度、角速度、角加速度为




θ

d

=

[

π

10

t

π

10

t

]

;

θ

d

˙

=

[

π

10

π

10

]

;

θ

d

¨

=

[

0

0

]

\theta_d=\left[\begin{array}{c} \frac{\pi}{10} t \\ -\frac{\pi}{10} t \end{array}\right] ; \dot{\theta_d}=\left[\begin{array}{c} \frac{\pi}{10} \\ -\frac{\pi}{10} \end{array}\right] ; \ddot{\theta_d}=\left[\begin{array}{l} 0 \\ 0 \end{array}\right]







θ










d




















=










[



























1


0
















π





















t























1


0
















π





















t






















]






;













θ










d























˙


















=










[



























1


0
















π










































1


0
















π









































]






;













θ










d























¨


















=










[















0








0






















]









仿真的效果:

图6 动态轨迹追踪过程




图6 动态轨迹追踪过程


图7为关节1和关节2的角度跟踪:

图7 角度跟踪




图7 角度跟踪


图8为关节1和关节2的角速度跟踪:

图8 角速度跟踪




图8 角速度跟踪


图6与图7可看出,该控制率能较好的实现轨迹跟踪。

为更好的验证该控制律的适用性,故意将动力学模型部分的错误的写成m2=0.9kg,其他不变,图8和图9为非精确模型下的控制效果:

图9 非精确模型下的角度跟踪




图9 非精确模型下的角度跟踪


图10 非精确模型下的角速度跟踪




图10 非精确模型下的角速度跟踪


可知基本实现了轨迹跟踪,在t=12s附近角度上出现稍许的不稳定,角速度出现了大的浮动,原因有待研究,可见,任何控制率都不是完美的,也希望大家能够一起积极探讨!

但在误差非常大的情况下,比如增大m1的误差,令m1=m2=0.9kg,结果为:

图11 大误差模型下的角度跟踪




图11 大误差模型下的角度跟踪


图12 大误差模型下的角速度跟踪




图12 大误差模型下的角速度跟踪


此时轨迹跟踪效果欠佳,这个现象说明了此控制率的局限性,但笔者觉得可有更多的挖掘,比如PID增益的调整,欢迎大佬指点和讨论,笔者不胜感激!



展望与思考

  1. PID增益如何较好的设置,或有无动态调整的方法?
  2. 真实的机器人控制器是在离散环境下运算的,离散系统如何仿真并保证稳定性?
  3. 高自由度机器人动力学模型复杂情况下如何仿真?
  4. 真实机器人的动力学控制大多用的什么方法,怎么做到高效且稳定的?



版权声明:本文为shuoerzi原创文章,遵循 CC 4.0 BY-SA 版权协议,转载请附上原文出处链接和本声明。